Электродвигатели конусные серии КГЕ (для талей серии Т)
Почему оригинальный двигатель КГЕ — это важно?
Рынок переполнен предложениями «аналогов» и «реплик» талей серии Т. Но сердце любой тали — это электродвигатель. Именно здесь нельзя экономить.
Мы предлагаем вам оригинальные болгарские электродвигатели серии КГЕ, произведенные на заводе «Балканско Ехо» (Balkansko Echo) в городе Севлиево, Болгария. Это не подделка и не «локализованное» производство. Это именно те моторы, которые ставятся на тали на заводе-изготовителе.
5 причин выбрать оригинальный КГЕ:
-
Заводская гарантия 36 месяцев. Ни один «серый» аналог не даст такого срока.
-
Реальная мощность. Болгарские двигатели сохраняют заявленные параметры даже на пределе нагрузок.
-
Конусный ротор. Обеспечивает плавное осевое перемещение и надежное растормаживание.
-
Термозащита. В обмотки встроена защита от перегрева — двигатель не «сгорит» при заклинивании механизма.
-
Идеальная геометрия. Все посадочные места и вал соответствуют заводским чертежам. Вы не будете мучиться с подгонкой при ремонте.
Назначение и конструкция
Электродвигатели серии КГЕ представляют собой специализированные асинхронные двигатели с короткозамкнутым конусным ротором и встроенным автоматическим тормозом. Они предназначены исключительно для работы в режиме S4 (повторно-кратковременный) в механизмах главного подъема канатных электротельферов серии Т.
Уникальность конструкции заключается в том, что сам ротор при отсутствии напряжения в сети создает осевое усилие, прижимая тормозной диск. При подаче питания ротор втягивается, сжимая пружину и растормаживая вал. Это обеспечивает практически мгновенную остановку груза и исключает его самопроизвольное опускание.
Основные технические параметры:
-
Стандарт: Болгарские и европейские стандарты (БДС, EN)
-
Напряжение: 380V, 50Hz (возможны исполнения на 60Hz под заказ)
-
Класс изоляции: F (возможно исполнение H)
-
Степень защиты: IP54 (двигатель), IP22 (тормоз)
-
Климатическое исполнение: Умеренное (стандарт), Тропическое, Морское — по запросу.
Таблица технических характеристик и типоразмеров
В таблице ниже представлен полный ряд двигателей КГЕ. Чтобы подобрать нужную модификацию, обратите внимание на сочетание мощности, оборотов и пускового момента.
| Мощность, кВт | Тип двигателя | Частота вращения, мин⁻¹ | Ток при 380В, А | Пусковой момент, Нм | Тормозной момент, Нм | Вес, кг |
| Односкоростные (6-полюсные, тихоходные) |
|
|
|
|
|
|
| 0.75 |
КГЕ 1605-6 |
910 |
3.3 |
16.4 |
10.8 |
35 |
| 1.5 |
КГЕ 1608-6 |
910 |
5.8 |
25.0 |
23.5 |
38 |
| 3.0 |
КГЕ 2008-6 |
920 |
11.0 |
60.5 |
49 |
62 |
| 4.5 |
КГЕ 2011-6 |
920 |
12.3 |
78.0 |
78 |
69 |
| 8.0 |
КГЕ 2412-6 |
920 |
24.5 |
132.0 |
105 |
106 |
| 12.5 |
КГЕ 2714-6 |
920 |
36.0 |
200.0 |
165 |
155 |
| Односкоростные (4-полюсные, быстроходные) |
|
|
|
|
|
|
| 1.1 |
КГЕ 1605-4 |
1360 |
3.6 |
15 |
18 |
35 |
| 2.3 |
КГЕ 1608-4 |
1300 |
6.0 |
26 |
28 |
38 |
| 4.5 |
КГЕ 2008-4 |
1400 |
12.0 |
60 |
70 |
62 |
| 5.5 |
КГЕ 2011-4 |
1430 |
12.0 |
80 |
70 |
69 |
| 7.5 |
КГЕ 2012-4 |
1380 |
17.0 |
105 |
100 |
79 |
| 12.0 |
КГЕ 2714-4 |
1430 |
28.0 |
180 |
130 |
140 |
| 0,15/1,1 |
КГЕ 2009-30/4 |
165/1400 |
4,0/4,0 |
14/16 |
15 |
48 |
| 0,30/2,2 |
КГЕ 2110-30/4 |
165/1400 |
5,5/7,6 |
30 |
30 |
57 |
| 0,5/4,5 |
КГЕ 2612-30/4 |
165/1400 |
10,0/11,0 |
52 |
55 |
106 |
| 15,5 |
КГЕ-3517-4, М4 |
1430 |
29,5 |
240 |
150 |
225 |
| Двухскоростные (30/6, 30/4 и др.) |
|
|
|
|
|
|
| 0.15/0.75 |
КГЕ 2009-30/6 |
165/930 |
4.0/4.0 |
14/15 |
12 |
48 |
| 0.5/3.0 |
КГЕ 2612-30/6 |
165/930 |
10.0/8.5 |
52 |
48 |
106 |
| 1.5/8.0 |
КГЕ 3317-30/6 |
170/940 |
30.0/19.0 |
140 |
125 |
201 |
| 0.16/1.1 |
КГЕ 2009-24/4 |
200/1400 |
3.0/3.5 |
16 |
15 |
48 |
| 0.7/4.5 |
КГЕ 2612-24/4 |
210/1400 |
6.0/9.5 |
52 |
55 |
106 |
| 4.0/16.0 |
КГЕ 3518-24/6 |
210/950 |
70.0/36.0 |
360/300 |
290 |
244 |
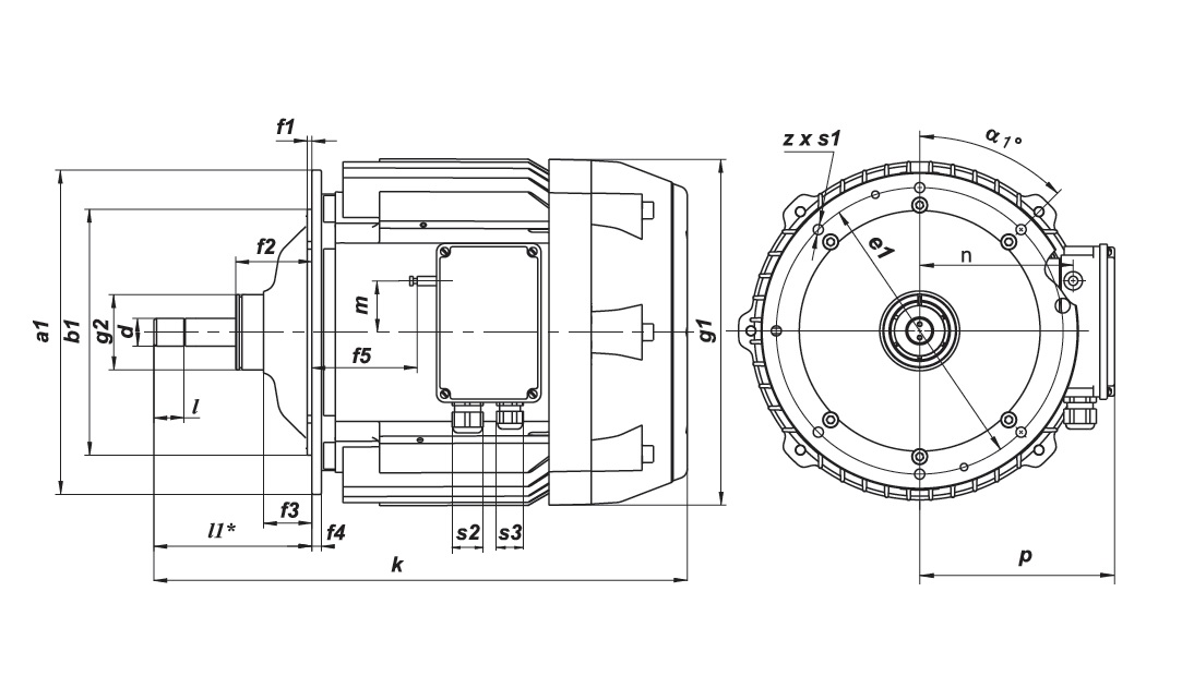
Габаритные и присоединительные размеры (двигатели КГЕ)
Для удобства подбора и проверки геометрии мы приводим таблицу основных размеров для двигателей серии КГЕ. Чертеж с подробными обозначениями расположен ниже.
Таблица размеров двигателей серии КГЕ (основные типы): 
Ев45х2,516S3aXÈ
| ТИП |
Размеры |
Вал |
| a1 |
b1 |
e1 |
l1* |
f1 |
f2 |
f3 |
f4 |
f5 |
g1 |
g2 |
m |
n |
k |
p |
zxs1 |
∝ |
s2 |
s3 |
d |
l |
|
КГЕ 1605
КГЕ 1608
КГЕ II 1608
|
260 |
185 |
226 |
109
125
95
|
4 |
73 |
44,4 |
12 |
18
38
38
|
230 |
75 |
16,5 |
120 |
350
382
352
|
161 |
8х9 |
45 |
Pg16 |
Pg16 |
Ев25х1,5х16S3ax |
27 |
|
КГЕ 2008
КГЕ II 2008
|
345 |
262 |
312 |
140
127
|
5 |
83 |
51,5 |
10 |
56,5 |
275 |
80 |
16,5 |
126 |
442
431
|
167 |
7х11 |
45 |
Ев30х1,5х18S3aX |
32 |
|
КГЕ 2011-4
КГЕ 2011-6
КГЕ 2012
|
345 |
262 |
312 |
140
168
168
|
5 |
83 |
51,5 |
10 |
62,5
62,5
92
|
275
|
80 |
26,5 |
126 |
454
482
512
|
171 |
7х11 |
45 |
Pg21 |
Pg16 |
|
КГЕ 2412
|
418 |
325 |
380 |
146
|
5 |
110 |
75 |
12 |
65 |
328 |
105 |
26,5 |
145 |
491 |
190 |
8х13 |
45 |
Ев40х2,0х18S3aX |
38 |
|
КГЕ 2009
КГЕ 2110
КГЕ II 2110
|
260 |
185 |
226 |
109
125
95
|
4 |
73 |
44,4 |
8 |
73
52,5
52,5
|
278 |
75 |
35 |
129 |
389
422
392
|
174 |
7х9 |
45 |
Ев25х1,5х16S3aX |
27 |
|
КГЕ 2612
КГЕ II 2620
|
345 |
262 |
312 |
140
127
|
5 |
81 |
51,5 |
10 |
98 |
328 |
80 |
55 |
155 |
508
495
|
200 |
7х11 |
45 |
Ев30х1,5х18S3aX |
32 |
|
КГЕ 2714-6
КГЕ 2714Д6
|
505 |
365 |
460 |
215 |
6 |
145 |
51,5 |
16 |
70,5
67
|
376 |
120 |
0
11
|
185
173
|
596 |
251
239
|
11х15 |
30 |
Ев45х2,5х16S3aX |
60 |
|
КГЕ 2714-4
КГЕ 2714Д4
|
418 |
325 |
380 |
146 |
5 |
110 |
102 |
12 |
70,5
67
|
376 |
105 |
0
11
|
185
173
|
527 |
251
239
|
7х13 |
45 |
Ев40х2,0х18S3aX |
38 |
|
КГЕ 2714
КГЕ II 2714
|
345 |
262 |
312 |
168
127
|
5 |
81 |
75 |
10 |
112 |
366 |
80 |
54,5 |
167 |
566
525
|
212
|
7х11 |
45 |
Ев30х1,5х18S3aX |
32 |
| КГЕ 3317 |
418 |
325 |
380 |
146 |
5 |
110 |
51,5 |
12 |
70 |
418 |
105 |
0 |
161 |
579 |
257 |
8х13 |
45 |
Ев40х2,0х16S3aX |
38 |
|
КГЕ 3517
КГЕ 3518
|
505 |
365 |
460 |
215 |
6 |
145 |
102 |
16 |
70 |
438 |
120 |
0 |
201 |
631
637
|
267 |
11х15 |
30 |
Ев45х2,516S3aX |
60 |
|
КГЕ 3517М
КГЕ 3518М
|
505 |
365 |
460 |
215 |
6 |
145 |
102 |
16 |
70 |
433 |
120 |
0 |
201 |
631
637
|
267 |
11х15 |
30 |
Pg21 |
Pg21 |
Ев45х2,5х16S3aX |
60 |
Примечания:
-
Размер I₁ указан в рабочем положении (ротор втянут). Допуск в заторможенном положении — не более 2.5 мм.
-
Полные размеры, включая параметры шпоночных пазов и резьбы, уточняйте по чертежу.
Как отличить оригинал от подделки?
-
Табличка-шильдик. На оригинальном двигателе она металлическая, с четкой гравировкой, указанием болгарского производителя („БАЛКАНСКО ЕХО“ ЕООД) и знаками сертификации.
-
Цвет и качество литья. Оригинальный корпус имеет равномерный синий цвет (как на фото), без раковин и наплывов чугуна.
-
Вал. Шпонка сидит плотно, резьба на конце вала чистая, без заусенцев.
-
Упаковка. Мы поставляем двигатели в заводской упаковке, исключающей повреждения при транспортировке.
Если вам предлагают двигатель со сбитой табличкой, без маркировки EXO или в "серой" краске — скорее всего, это контрафакт или кустарная перемотка. Не рискуйте ремонтом крана!
Готовые решения и подбор
Не уверены, какой именно мотор нужен? Отправьте нам данные вашего тельфера (тип тали, год выпуска, существующая мощность) или модель вышедшего из строя двигателя. Мы проверим по заводским базам и подберем 100% аналог.
Почему заказывают у нас:
✅ Официальное происхождение (поставки напрямую с завода).
✅ Полная предпродажная проверка.
✅ Наличие на складе в РФ самых ходовых позиций (КГЕ 1608, КГЕ 2008, КГЕ 2714).
Свяжитесь с нами для заказа:
📞 Телефон: 8-800-200-98-40
✉️ Почта: zakaz@sibprivod.ru
Или нажмите кнопку «Запросить цену» — мы выставим лучшее предложение под вашу задачу.