Бесплатно по России:

8-800-200-98-40

Телефон в Новосибирске:

+7 (383) 304-72-12

Электронная почта:

zakaz@sibprivod.ru

Электродвигатели конусные серии КЕ (для талей серии МТ)

Двигатели серии КЕ (для талей МТ) — это «профессиональная» линейка, которую часто ищут для замены на более современных или тяжелых режимах работы.
0,00 ₽
Оставить заявку

Для тех, кому нужно больше, чем стандарт

Если ваша таль работает в интенсивном режиме, с большим количеством циклов или повышенными нагрузками — стандартные двигатели серии Т могут не справиться. Для этого завод «Балканско Эхо» разработал серию КЕ для талей МТ — это усиленная линейка двигателей, сохранившая надежность конусной конструкции, но с улучшенными характеристиками.

Что такое серия МТ и почему для нее нужны отдельные двигатели?
Тали серии МТ — это модернизированное продолжение легендарных талей Т. Они имеют более высокие скорости подъема и передвижения, рассчитаны на более интенсивную эксплуатацию. Двигатели КЕ спроектированы с учетом этих нагрузок: они имеют усиленную механику, оптимизированные параметры пускового и тормозного моментов.

Оригинальное качество. Без компромиссов.

Мы поставляем двигатели оригинал, с завода в Болгарии. Это не реплика, не «перемотанный» старый мотор. Это оригинальные изделия с:

  • Гарантией.

  • Металлическим шильдиком с четкой маркировкой.

  • Реальными параметрами, заявленными в каталоге.

Технические особенности

  • Тип: Асинхронный, с короткозамкнутым конусным ротором.

  • Тормоз: Встроенный, автоматический (нормально-замкнутый). При снятии питания вал стопорится мгновенно.

  • Режим работы: S4 (повторно-кратковременный, идеален для подъемных операций).

  • Защита: IP54 (двигатель), IP22 (тормозная крышка).

  • Изоляция: Класс F (термостойкость до 155°С), возможен класс H под заказ.

  • Термозащита: Встроена в обмотки (предохраняет от перегрева при перегрузках).

Полный каталог моделей и параметров

В таблице ниже представлены все основные модификации двигателей серии КЕ. Найдите свою мощность и скорость, чтобы подобрать аналог.

 
Мощность, кВтТип двигателяЧастота вращ., мин⁻¹Режим ПВ, %Ток при 380В, АПуск. момент, НмТорм. момент, НмВес, кг
Односкоростные (4-полюсные, 1400 об/мин)              
2.3 KE 1608-4 1300 40 6.0 26 28 38
4.5 KE 2008-4 1400 40 12.0 60 70 62
5.5 KE 2011-4 1430 40 12.0 80 70 62
7.5 KE 2012-4 1380 40 17.0 105 100 85
12.0 KE 2714-4 1430 40 28.0 180 130 139
15.5 KE 3517-4 1430 40 29.5 240 150 230
Односкоростные (6-полюсные, 900 об/мин)              
12.5 KE 2714-6 920 40 36.0 200 165 165
16.0 KE 3517-6 920 40 34.0 380 290 240
25.0 KE 3518P6 950 40 47.5 550 450 250
Двухскоростные (основная/микроскорость)              
0.48/2.9 KE 2110-24/4 200/1400 20/40 3.7/6.2 29/30 6/30 63
1.0/6.0 KE 2612-24/4 210/1400 20/40 7.0/13.5 90/120 75 106
1.3/8.0 KE 2714-24/4 200/1400 10/40 12.0/16.0 100 95 145
2.2/13.0 KE 3517-24/6 220/960 10/40 40.0/30.0 215 180 230
2.5/15.0 KE 3517-24/4 220/1400 10/40 30.0/28.0 200/210 170 230
4.0/24.0 KE 3518-24/4 210/1400 10/40 70.0/48.0 360/380 290 252

*Примечание: В таблице приведены основные, наиболее часто запрашиваемые модели. Полный перечень (включая KE 1608M4, KE 2011M4, KE 3517PM4, KE 3518NM24/4 и др.) доступен в прикрепленном PDF-каталоге.*

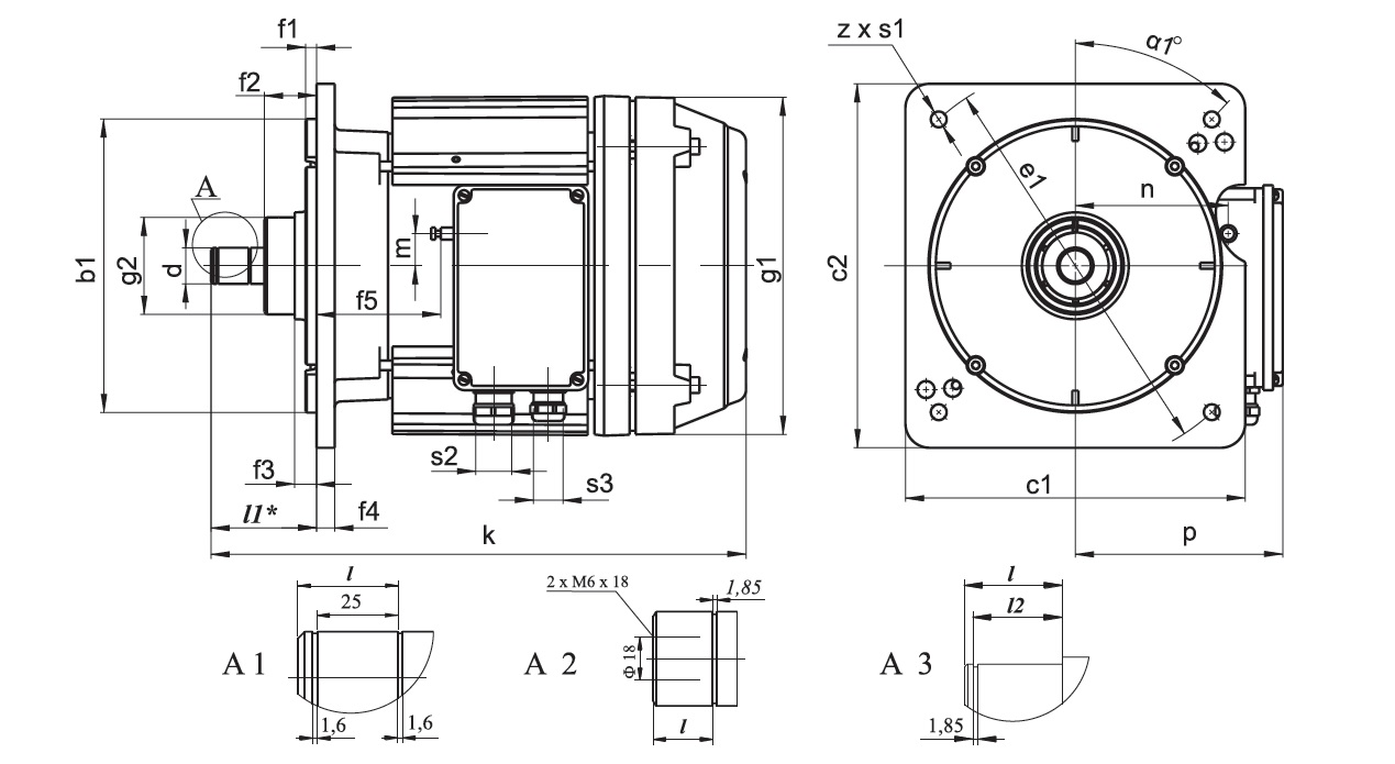
Габаритные и присоединительные размеры

Чтобы двигатель гарантированно встал на место старого, сверьте геометрию. Ниже приведены размеры для самых популярных типов. Чертеж с расшифровкой всех позиций — справа (или ниже).

 
Тип двигателяb₁c₁c₂e₁I₁f₁f₂f₃f₄f₅g₁g₂mnkpz x s₁d
KE 1608-4 242 280 300 330 87 94 31 8 10 22 75 80 2 x M16 38
KE 2008-4 242 280 300 330 87 94 31 8 10 22 75 80 2 x M16 38
KE 2011-4 242 280 300 330 87 94 31 8 10 22 75 80 2 x M16 38
KE 2714-4 370 359 346 300 125 122 24 2 37 54 200 52 3 8 3 1.5 4 x M16 50
KE 3517-4 410 400 384 330 226 18 62 75 50 56 567 8 7 11 45 2.5 4 x M20 60

Важно: Размер I₁ указан в рабочем (расторможенном) положении. В покое вал выступает на 1.5–2.5 мм больше.

Как отличить оригинальный двигатель КЕ?

  1. Шильдик. Металлическая табличка с логотипом «Балканско Ехо», страной производства (Болгария) и серийным номером.

  2. Вал и фланец. Точная механическая обработка, без люфтов и биений.

  3. Упаковка. Заводская деревянная обрешетка или плотная картонная упаковка с маркировкой.

  4. Документы. Паспорт изделия и гарантийный талон.

Подберем двигатель за 30 минут

Не уверены, какой именно мотор нужен? Отправьте нам:

  • Фото шильдика старого двигателя.

  • Или модель вашей тали (например, МТ 520, МТ 521).

  • Или просто скажите грузоподъемность и скорость подъема.

Мы сверимся с заводскими каталогами и предложим 100% аналог.


Цена и наличие:

  • Самые ходовые модели (KE 1608, KE 2008, KE 2714) есть на складе в РФ.

  • Специальные исполнения (Ex, тропические) — поставка под заказ 45-60 рабочих дней.

📞 Звоните: 8-800-200-98-40
✉️ Пишите: zakaz@sibprivod.ru