Назначение редуктора РК-500
Редуктор РК-500 представляет собой усиленную цилиндрическую двухступенчатую передачу, разработанную для приводов подъема и передвижения в составе мостовых, козловых и других типов промышленных кранов. Благодаря увеличенному межосевому расстоянию и запасу прочности, РК-500 оптимально подходит для механизмов, работающих с повышенными нагрузками и в условиях интенсивного циклического использования. Это надежное звено в цепочке привода, обеспечивающее стабильную передачу мощности.
Где и как устанавливается редуктор РК-500?
РК-500 устанавливается в силовую трассу привода. Монтаж осуществляется на подготовленную раму или платик механизма через лапы корпуса. Соединение с электродвигателем выполняется через компенсирующую муфту (например, зубчатую тип МЗ), что нивелирует возможные перекосы валов. Выходной вал редуктора непосредственно соединяется с приводным барабаном лебедки или ходовым колесом через жесткую муфту или открытую передачу.
Основные сферы применения РК-500:
-
Механизмы подъема: Мостовые и козловые краны грузоподъемностью до 20-32 тонн, консольные краны, шлюзовые лебедки.
-
Механизмы передвижения: Приводы тележек кранов, передвижения самих крановых мостов.
-
Другое оборудование: Поворотные устройства, конвейеры с высоким крутящим моментом, подъемные ворота и шлагбаумы промышленного назначения.
Основные характеристики редуктора РК-500:
-
Тип: цилиндрический двухступенчатый редуктор
-
Назначение: для механизмов подъема и передвижения кранов
-
Межосевое расстояние: 500 мм
-
Передаточные числа (номинал/факт): от 8,00 / 8,23 до 50,00 / 48,57
-
Частота вращения входного вала: 600, 750, 1000, 1250, 1500 об/мин
-
Режимы работы: особо легкий, ПВ=15%, ПВ=25%, ПВ=40%, ПВ=100%
-
Крутящий момент (номинальный): до 64,85 кН·м (при ПВ=15%, 600 об/мин)
-
Материал шестерен/валов: сталь легированная, цементация и закалка
-
КПД: не менее 96% на ступень
- Вес редуктора: 1230 кг
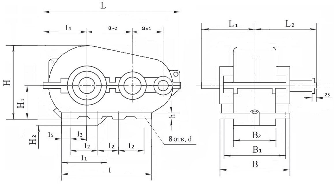
Габаритные и присоединительные размеры РК-500:

| aw1 |
aw2 |
L,
неболее
|
L1 |
L2 |
l,
не более
|
l1 |
l2 |
l3 |
l4 |
l5 |
B,
не более
|
B1 |
B2 |
H |
H1 |
H2 |
h |
d |
| 350 |
500 |
1640 |
510 |
550 |
1120 |
610 |
300 |
205 |
546 |
120 |
580 |
520 |
408 |
875 |
400 |
105 |
35 |
32 |
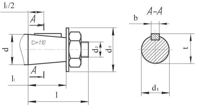
Габаритные размеры входного вала РК-500

|
d |
90 |
| d1 |
83,50 |
| d2 |
М64х4 |
| d3 |
130 |
| l |
170 |
| l1 |
130 |
| b |
22 |
| t |
88,5 |
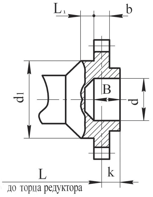
Габариты выходного вала:
-
в виде цилиндрического вала

|
d |
130m6 |
| d1 |
150 |
| b |
32 |
| l |
200 |
| t |
141 |

|
m |
8 |
| z |
54 |
| b |
50 |
|
L,
не
менее
|
73 |
| L1 |
22 |
| k |
40 |
| B |
78 |
| dF7 |
190 |
| d1f9 |
260 |
Особенности и преимущества РК-500:
-
Компактность и надежность: оптимальное соотношение габаритов и мощности для механизмов средней нагрузки.
-
Универсальность режимов: подходит для кранов с разной интенсивностью работы (от редкого использования до постоянной эксплуатации).
-
Ремонтопригодность: разборная конструкция, доступность запасных частей (шестерни, подшипники, уплотнения).
-
Стандартизация: присоединительные размеры соответствуют требованиям для кранового оборудования, что упрощает монтаж и замену.
-
Работа в тяжелых условиях: устойчив к вибрациям, переменным нагрузкам, предназначен для работы в диапазоне температур от -40°C до +40°C.
Область применения редуктора РК-500:
-
Приводы подъема мостовых, козловых, консольных кранов грузоподъемностью до 20 тонн
-
Механизмы передвижения тележек и кранов
-
Лебедки строительные и промышленные
-
Конвейеры, поворотные механизмы
Комплектация и варианты поставки:
Почему выбирают РК-500 от ООО "Сибаналитпром"?
-
Проверенный производитель: поставляем оборудование, соответствующее ГОСТ.
-
Техническая поддержка: помогаем с подбором аналога, расчетом момента и расшифровкой характеристик.
-
Наличие: работаем с поставками под заказ и со склада.
-
Гарантия: на все редукторы предоставляем официальную гарантию 12 месяцев.
-
Доставка: организуем отгрузку в любой регион России транспортными компаниями.
Закажите расчет и подбор редуктора РК-500 прямо сейчас!
Получите коммерческое предложение в течение 1 часа. Отправьте нам параметры вашего механизма: требуемый крутящий момент, скорость, режим работы — и мы подберем оптимальный вариант РК-500 с нужным передаточным числом.